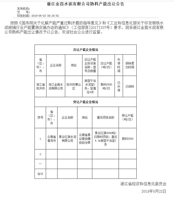
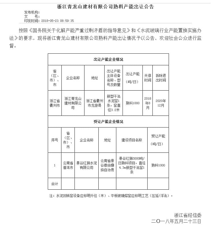
两则公告中出让的熟料产能受让方均为位于云南省景谷傣族彝族自治县的景谷红狮水泥有限公司,建设项目为景谷红狮3000t/d熟料项目(直径4.3m新型干法窑1条)。其中由浙江金首水泥有限公司出让2500t/d熟料产能,浙江青龙山建材有限公司出让1000t/d熟料产能,合计3500t/d。
公告原文如下:
浙江经信委5月22日公告

浙江经信委5月23日公告

据水泥人网了解2015年3月7日云南省环境保护厅发布了《云南省环境保护厅关于景谷红狮水泥有限公司日产3000吨新型干法水泥熟料生产线技改项目环境影响报告书批复变更投资主体名称请示的复函》。
函件称:《景谷泰毓建材有限公司关于日产3000吨新型干法水泥熟料生产线技改项目环境影响报告书》于2012年5月经云南省环保厅予以行政许可(云环审〔2012〕113号)。项目执行主体为“景谷泰毓建材有限公司”,在项目建设中,项目引进浙江红狮水泥股份有限公司合作, 重组整合成立“景谷红狮水泥有限公司”承担项目建设,并经原核准机关云南省工业和信息化委员会同意(技创〔2015〕16号)。据此云南省环保厅同意该项目环评文件执行主体由“景谷泰毓建材有限公司”变更为“景谷红狮水泥有限公司”。
另据《普洱日报》2015年2月9日消息,景谷泰毓建材有限公司原生产线建设规模为日产1000吨旋窑水泥生产线。在2014年被列为淘汰对象,于2014的12月31日前全部拆除。且于2015年1月验收通过。淘汰该生产线后景谷泰毓建材有限公司与浙江红狮水泥股份有限公司合作新建日产3000吨新型干法水泥熟料生产线。

景谷红狮水泥有限公司日产3000吨的熟料项目,除以上跨省置换的两条合计3500t/d熟料生产线外,原有1000t/d熟料生产线一条,共计退出产能4500t/d(2500+1000+1000=4500t/d)。退出产能为新建产能的1.5倍,为减量置换项目。
据此,云南区域的水泥市场将新增一条日产3000吨的熟料生产线,浙江省区域将淘汰掉3500t/d的熟料产能。
如此跨省置换是否减轻了浙江的负重而加重了云南的过剩?
会否因此提高浙江区域的水泥价格,而令云南的水泥价格一落千丈?
欢迎有识之士在下方评论区留言。


