云南某公司2#水泥磨生产系统节能降耗技改EPC总包项目,由山东棱角建材科技有限公司(以下简称“山东棱角”)承接,自2021年4月25日定标开始,山东棱角经过初设、设备选型、订货、施工图纸设计、土建施工、设备及非标制作安装、停机对接、投产调试等阶段,涵盖配料系统、粉磨系统、入库系统、配电系统、DCS操控系统等整个水泥磨生产系统升级改造,总工期5个半月,与磨机系统安装对接,实际停机28天达到带料调试要求,14天的调试消缺,达标达产,经过1个月的考核验收,各项指标均达到既定要求,超过业主预期。2021年11月28日,业主方安全生产标准化一级企业评审以91.6分高分通过,其中包含本技改项目,至此技改项目完美收官。该公司也成为当地水泥行业首家安全生产标准化一级企业,标志着其安全生产管理迈向新的发展阶段。
项目简述:
该项目技改前,辊压机系统配置120/50辊压机、Y280S-6打散分级机,磨机Φ3.2米*13米(边缘传动),配置N2000 O-Sepa选粉机、高浓度收尘器组成辊压机联合粉磨系统;受系统配置制约,磨机平均台时(PO42.5)85t/h,系统能耗偏高。技改后,利用原有水泥磨,在现有磨房西北侧新建辊压机系统框架,并新建二层电力室,以满足技改后设备供电需求;选用160/140辊压机+高效动态选粉机组成辊压机闭路系统,选用磨机(利旧)+高效涡流组合选粉机组成水泥磨闭路系统;改后2#水泥磨系统形成双闭路辊压机半终粉磨工艺,并生产出合格水泥,实现了业主方利用短暂市场淡季完成技改工程对接投产的计划,有力的保证了业主方生产经营不受影响。
山东棱角建材科技有限公司调试人员按照对该系统“一个中心,两个平衡”的深刻把握,很快摸索出最佳操作参数。调试期间PO42.5水泥平均台时174.5吨,最高达到197吨,平均电耗25.59kwh,质量稳定合格。调试中发现原材料粒度大于80mm居多,如果满足辊压机入料要求,台时会稳定在180吨以上,电耗会进一步降低。实践证明该系统设计先进,工艺顺畅,实现了低投资高回报的最佳投资收益比。



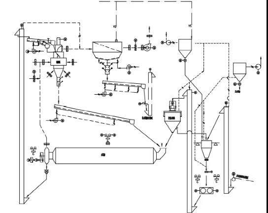
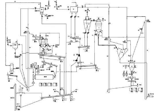
一、工艺流程技改前后对比


二、主机设备技改前后对比

三、生产指标技改前后对比



四、技改过程时间节点控制比

结束语:山东棱角近三年来承接了山东某公司100万吨/年水泥粉磨站EPC工程、云南某公司2#水泥磨系统节能降耗技改EPC工程,在项目初设、设备选型、图纸设计、土建施工、设备安装、非标制安、生产调试等,把控项目的各个阶段,安全施工、严把质量、紧扣工期节点,均超额完成项目预期指标,向业主递交了满意答卷,展现了山东棱角建材科技有限公司从设计、建设到调试“一条龙”综合服务的优异能力。
技改咨询:
张总:18910037609(微信同号)
李总:18615287270
微信:dayingiong186788



