日前,水泥人网在进行市场调研时了解到,在节能降耗的大背景之下,部分水泥企业的电耗普遍偏高,甚至有的水泥厂单位电耗高达30~34kwh/t-cem,与最新版GB16780-2021《水泥单位产品能源消耗限额》中的水泥制备工段1级指标≤26kwh/t-cem相比差距较大,因此,各大水泥企业咨询水泥人网,有无很好的解决方案,可以有效的降低水泥企业的电耗。
随后,水泥人网负责人与部分水泥技改企业进行了深入的交流。据德国洪堡(KHD)公司负责人介绍:鉴于国内政策和水泥粉磨的行业实际情况,德国洪堡(KHD)公司研究出一套关于水泥粉磨部分的技术改造方案,以满足水泥企业对于新技术、新装备应用在生产环节和节能降耗技术革新的意愿。
改造思路
根据料床粉磨的机理,充分发挥料床粉磨效率高的优势,通过提高辊压机粉磨后的水泥细度,降低球磨机部分的粉磨负荷,进而使得水泥制备工段电耗达到或优于《GB16780-2021》中的水泥制备工段≤26kwh/t-cem的1级指标。
技改方案

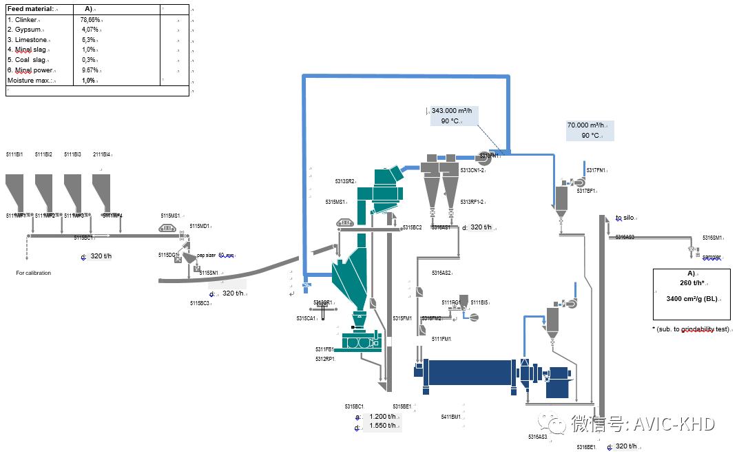
如上所示,辊压机系统采用闭路,水泥磨系统采用开路。通过选用德国洪堡(KHD)公司的辊压机,可保证通过辊压机后进入球磨机之前的中间产品比表面积≥2400cm2/g,充分利用德国洪堡(KHD)公司辊压机压力相比国内其他设备供应辊子压力高的技术优势,最大限度地降低辊压机外循环的物料,降低物料中间循环输送的电耗。
辊压机系统中的选粉机采用德国洪堡(KHD)公司最新型号的静态V型选粉机和高效动态选粉机,具有选粉效率高、水泥颗粒级配更加合理的优势。
主要改造内容
新建辊压机闭路系统(布置在现有水泥车间外的临近空地处):新购置主机设备包括辊压机(KHD)、V型静态选粉机(KHD)、高效动态选粉机(KHD)、高效低压损旋风筒(KHD)、循环风机、袋收尘器及风机等。
水泥磨闭路系统改开路(设备利旧或技改):主要利旧或技改设备包括球磨机、出磨斗提、粗粉分离器、球磨机系统的袋收尘器及风机、入库斗提、储气罐等。
水泥磨磨内改造:研磨体级配优化调整、磨机衬板形式优化调整、磨机隔舱板优化调整。
相关核心设备介绍
1. 辊压机

德国洪堡(KHD)公司的辊压机具有设备运行可靠性高和低维护的优点,可充分利用辊压机压力高的优势,最大限度地降低辊压机外循环的物料,进而降低物料中间循环输送的电耗。其采用轨道式设计,便于磨辊拆装维护,配套电机顶部设计行车轨道,便于检修电机拆装维护。使用行车,小车及轨道运输磨辊,不需要使用吊车。稳压仓挡板可以横向和纵向调节,可以确保密封和放置漏料,挡板内部使用耐磨材料。
2. V型静态选粉机(KHD)

1-喂料;2-粗粉;3-气流;4-气流+细粉
3.高效动态选粉机(KHD)

相关发明专利
1. 细粉和超细粉研磨专利

2.高压辊和耐磨衬板发明专利

3.橡胶止推轴承发明专利

4.辊压机进料装置发明专利

5.辊压机预粉磨专利

水泥粉磨技改后的主要技术指标
系统电耗≤26kw.h/t@ PO42.5;
水泥比表3400~3800cm2/g@ PO42.5;
系统产能:可以根据工厂要求适当提产,辊压机和水泥磨的外围配套输送设备能力做调整(如需要)。
该技术方案在实施后,可使工厂在工艺、设备、节能等方面达到国内先进水平,水泥制备工段电耗在相同配比和比表面积的情况下,由技改前的30 kw.h/t以上(每个工厂情况不同)降低4kwh/t-cem,水泥粉磨工段的电耗≤26 kw.h/t以内,显著降低了水泥生产环节粉磨段的水泥生产成本,技改后粉磨系统的能力提升>10%,水泥磨内部调整研磨体级配和隔舱板的调整后,磨内通风显著改善,水泥的颗粒级配分布更加合理,出磨水泥温度显著降低,对水泥生产企业具有显著的经济效益。
更多技术及技改详询
德国洪堡(KHD)公司 010-87091245
张总 18910037609


